The EFL201 is a high-performance 4-wheel lithium counterbalance forklift truck with a load capacity of 2000kg. This truck combines an 80V lithium battery with a robust structure for demanding daily operations. Designed for versatility, it handles uneven surfaces and rainy weather with a 120mm ground clearance and waterproof engineering.
Right View
Left View
Front View



| Ref | Parameter | Unit | Value |
|---|---|---|---|
| 1.2 | Model | - | EFL201 |
| 1.3 | Drive | - | Electric |
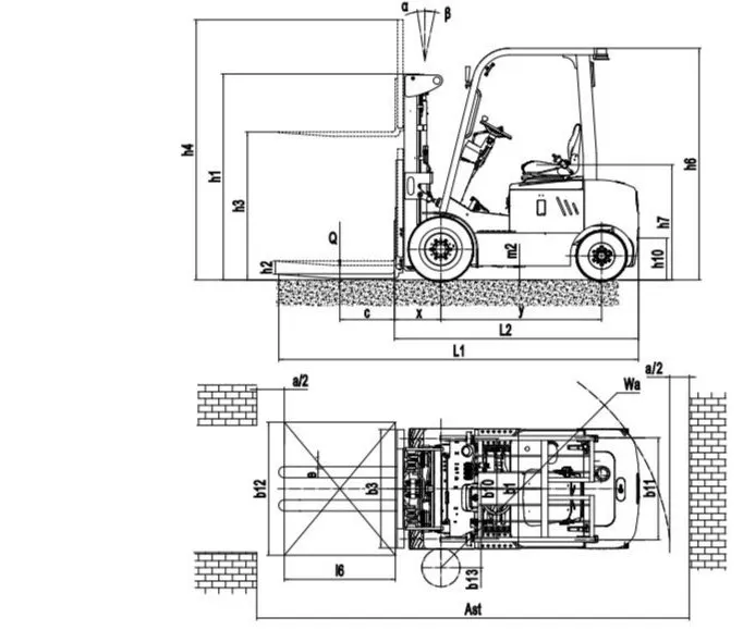
| 1.5 | Load Capacity | Q (kg) | 2000 |
| 1.6 | Load Center Distance | c (mm) | 500 |
| 2.1 | Service Weight | kg | 2940 |
| 4.4 | Lift Height | h3 (mm) | 3000 |
| 4.7 | Height of Overhead Guard | h6 (mm) | 2080 |
| 4.21 | Overall Width | b1/b2 (mm) | 1080 |
| 5.1 | Travel Speed (Laden/Unladen) | km/h | 11/14 |
| 6.4 | Battery Voltage/Capacity | V/Ah | 80/150 |
The EFL201 is a versatile all-rounder suitable for both indoor and outdoor environments. Key applications include:
Standard Warranty: 12 months
Extended Warranty: Up to 60 months optional.
Global Support: 24/7 technical assistance and parts supply.
OEM/ODM capabilities, competitive pricing, fast shipping, and turnkey project solutions for global material handling needs.




